Vai al contenuto

Honda CRV R20A9 sincronia giri e fase


Messaggi raccomandati

  • Moderatore
Inviato

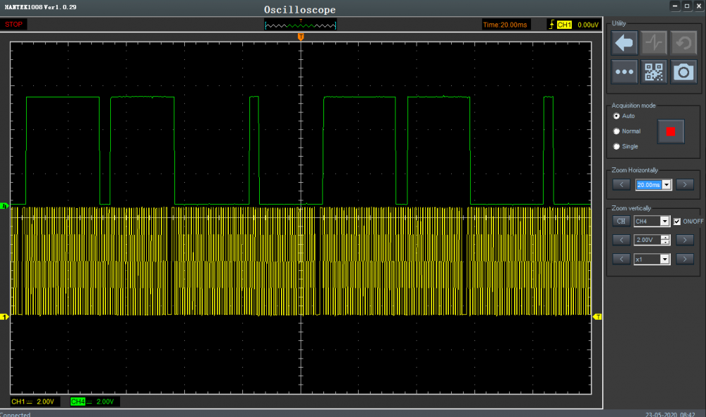
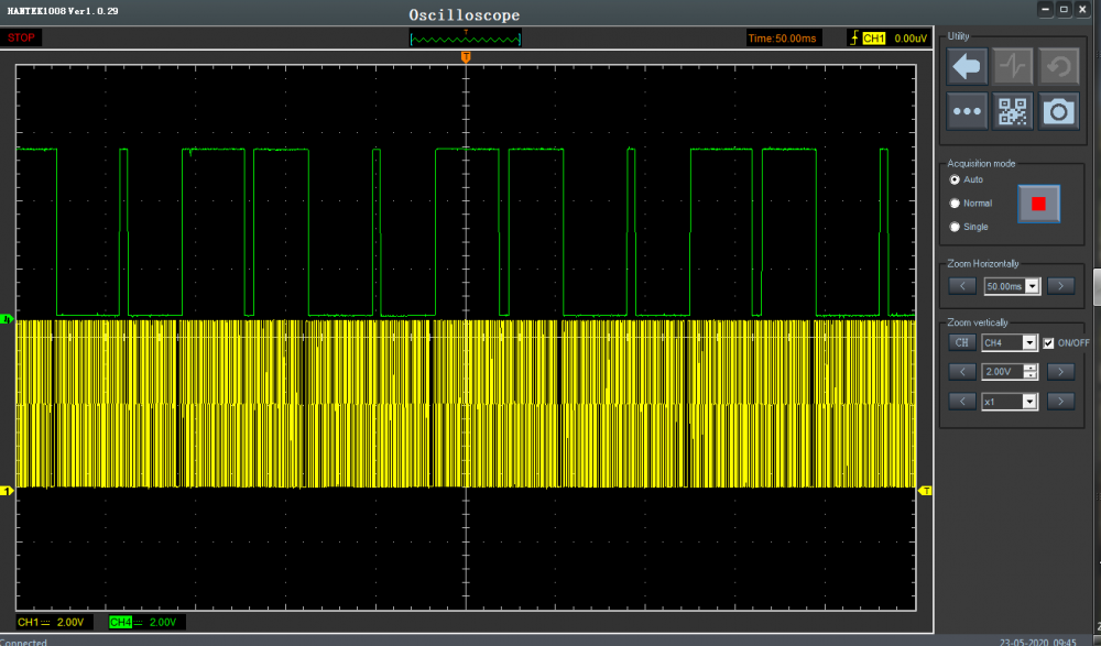
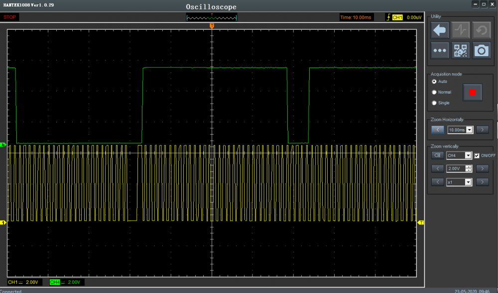
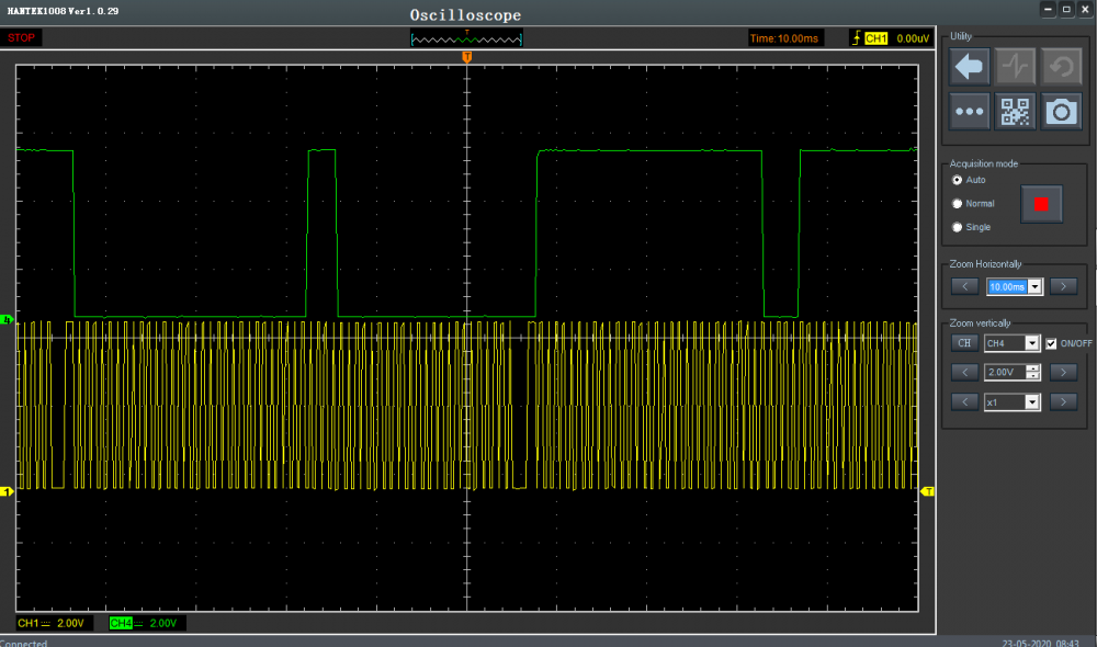
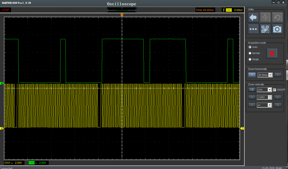
Saluti a tutti  :oO: Honda CR-V 1997 cc114 kw motore a bz (gpl) R20A9 imm 2014 con 98323 km, sincronia giri e fase  :book:

5ms1.png

10ms1.png

5ms2.png

10ms2.png

20ms1.png

50ms1.png

20ms2.png

50ms2.png

origine_dati.jpg

  • Mi Piace 2
  • Grazie 1
  • Risposte 0
  • Creato
  • Ultima Risposta

Miglior contributo in questa discussione

  • peppino mibtel

    1

Miglior contributo in questa discussione

Le risposte a questa discussione sono 0

Sei un Meccatronico?

per accedere a tutta la Community!

  • Statistiche Utenti

    19.352
    Meccatronici iscritti
    314
    Record utenti online
    ag.pg
    Nuovo iscritto
    ag.pg
    Iscritto
  • Statistiche forum

    38,5k
    Discussioni Totali
    438,2k
    Risposte Totali

GYS Charge Pro - Caricabatterie professionali


×
×
  • Crea Nuovo...