Vai al contenuto

Opel Astra B14NET sincronia giri e fase


VAI ALLA SOLUZIONE Risolta da peppino mibtel,

Messaggi raccomandati

  • Moderatore
  • SOLUZIONE
Inviato

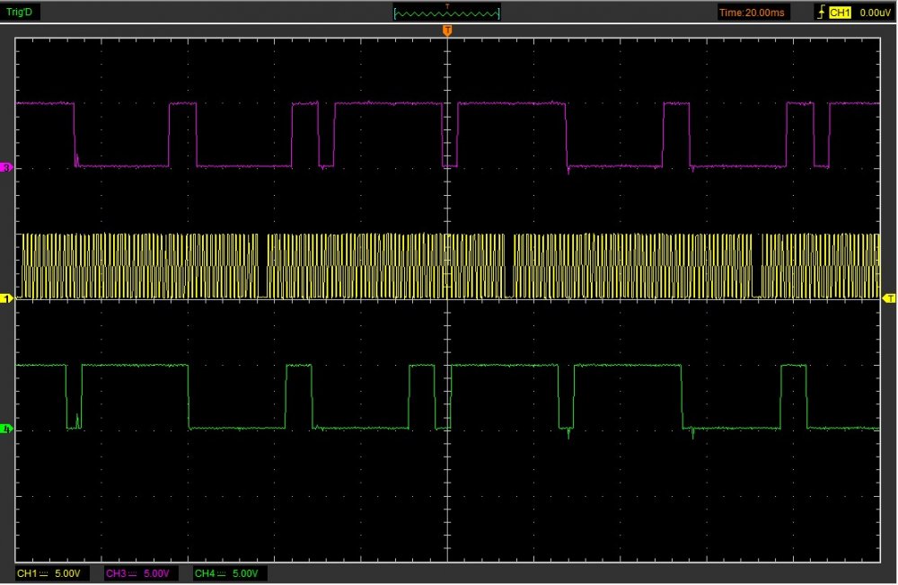
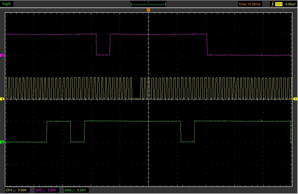
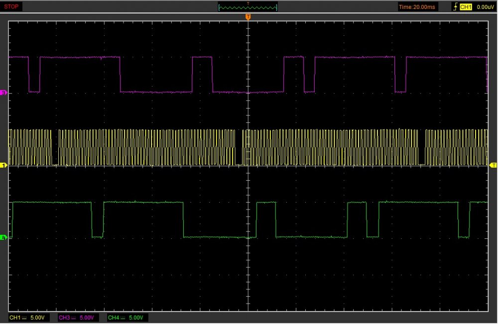
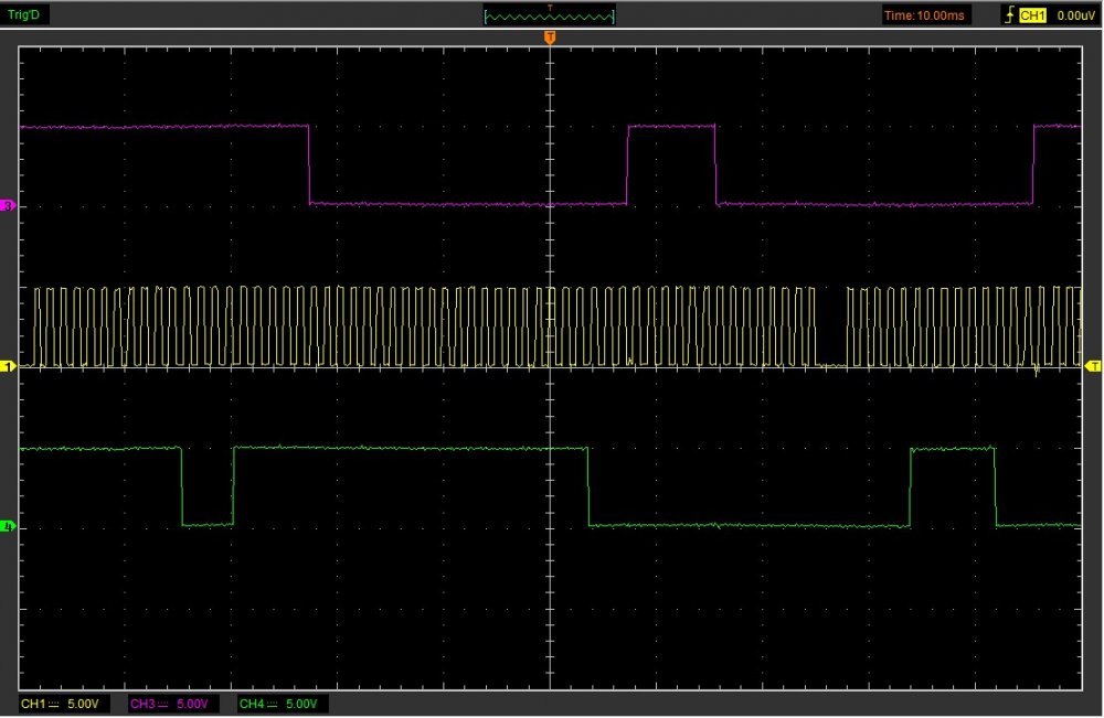
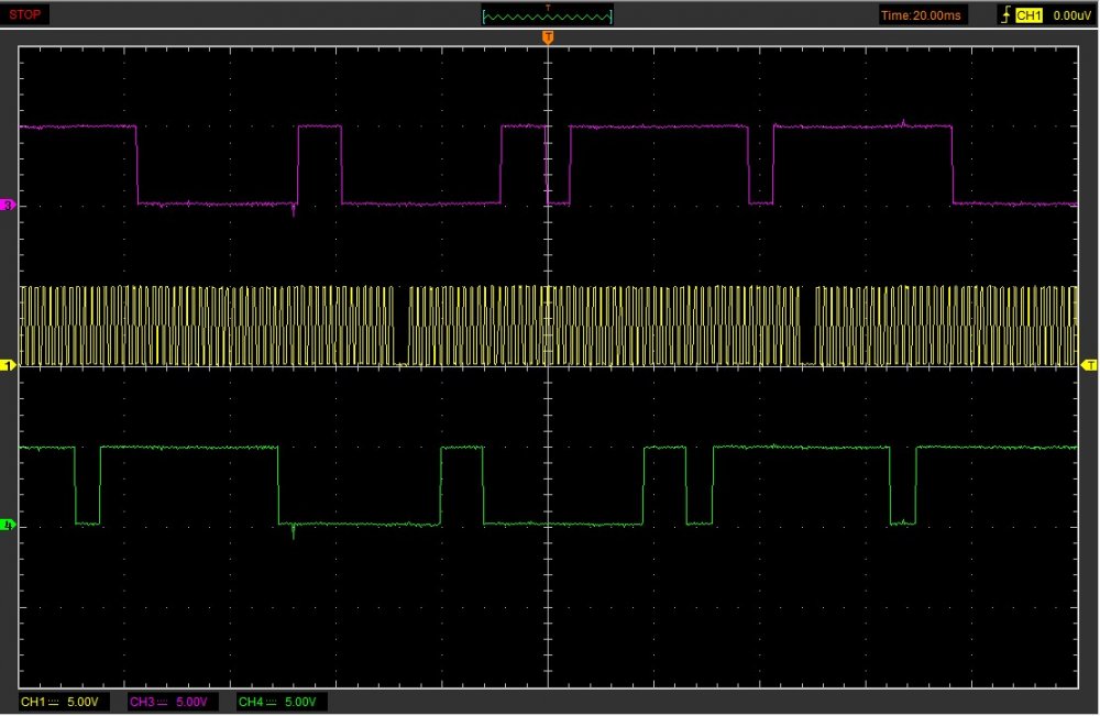
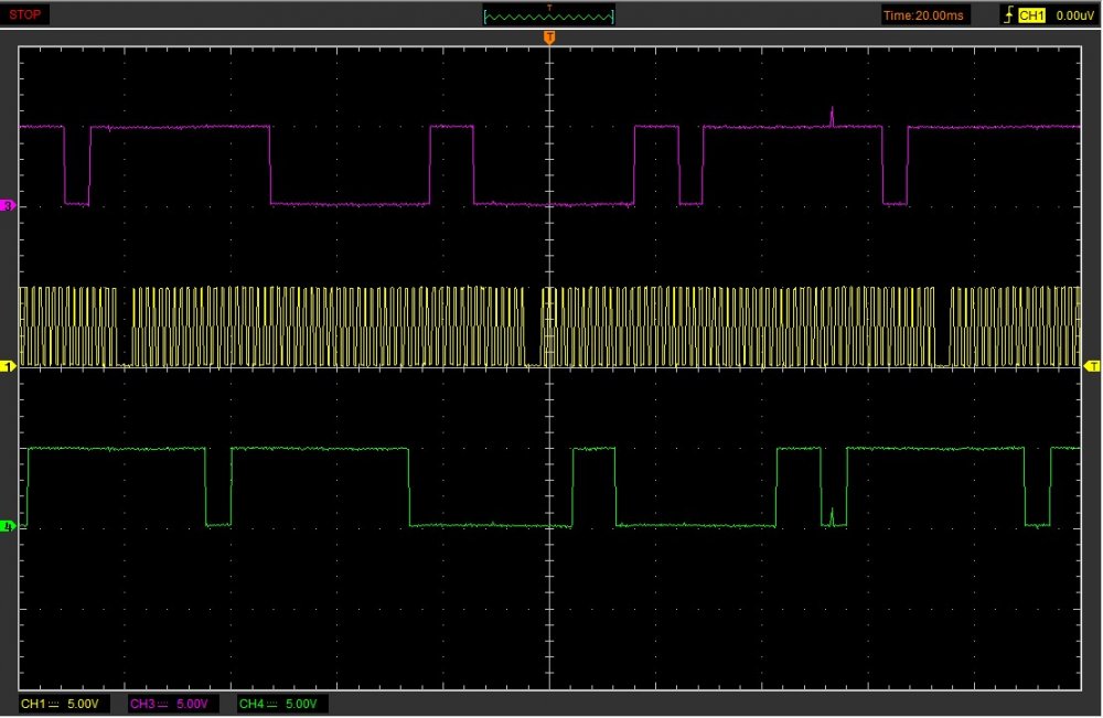
Saluti a tutti, Opel Astra 1364 cc 103 kw motore bz/gpl B14NET quindi il turbobenzina "downsizing" GM con116074 km e nessun problema, motorizzazione con doppio variatore di fase, sincronia giri e fase  :book::oO:

10_ms_2.jpg

10_ms.jpg

10_ms_3.jpg

20_ms_2.jpg

20_ms_4.jpg

20_ms_3.jpg

20_ms.jpg

confronto_regimi.jpg

origine_dati.jpg

  • Mi Piace 3
  • Grazie 5
  • Risposte 0
  • Creato
  • Ultima Risposta

Miglior contributo in questa discussione

  • peppino mibtel

    1

Miglior contributo in questa discussione

Le risposte a questa discussione sono 0 e l'autore l'ha contrassegnata: DIFETTO RISOLTO!

Sei un Meccatronico?

e LEGGI SUBITO la SOLUZIONE

  • Statistiche Utenti

    19.365
    Meccatronici iscritti
    485
    Record utenti online
    RC REPARTO CORSE
    Nuovo iscritto
    RC REPARTO CORSE
    Iscritto
  • Statistiche forum

    38,5k
    Discussioni Totali
    438,7k
    Risposte Totali

Launch Italy


×
×
  • Crea Nuovo...