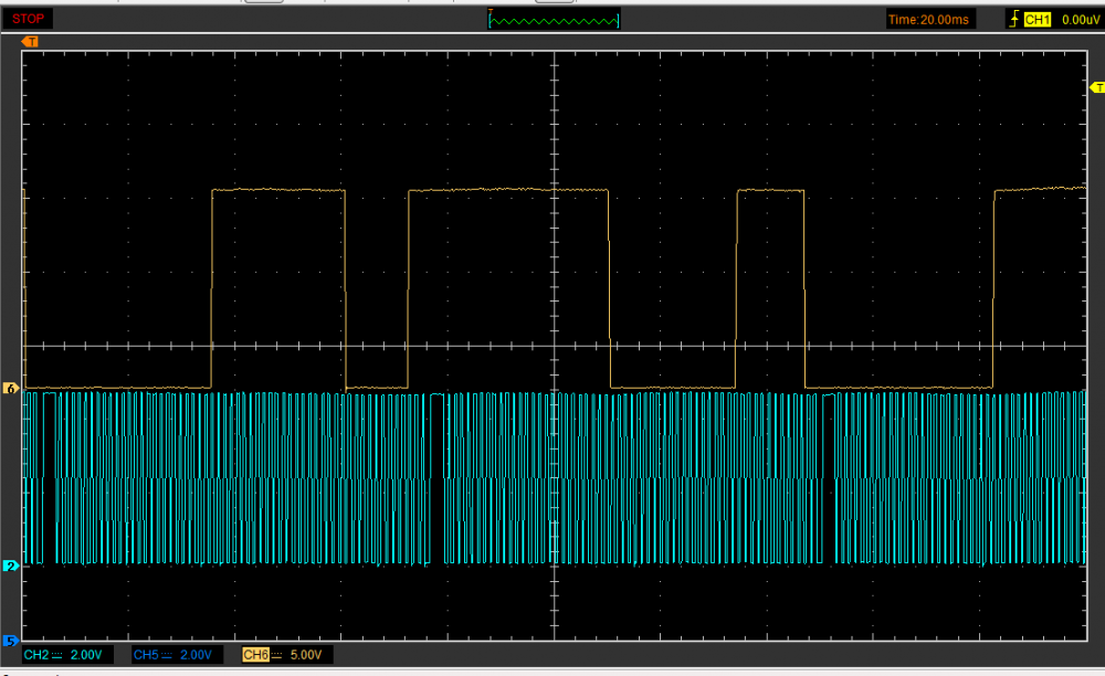
Mini N14B16A sincronia giri fase (non assoluta)
-
Statistiche Utenti
19.291
Meccatronici iscritti291
Record utenti onlineNuovo iscritto
Emanuelejusha
Iscritto -
Statistiche forum
38,3k
Discussioni Totali445,9k
Risposte Totali
Da
peppino mibtel
Iniziato

Messaggi raccomandati
Sei un Meccatronico?
per accedere a tutta la Community!
le tue competenze tecniche?
PERCORSI DI FORMAZIONE
Scopri i nostri Corsi Online, Live e Personalizzati
dedicati a Meccatronici e specialisti dell'autoriparazione.
SCOPRI DI PIÙ
documentazione tecnica?
ASSISTENZA DIRETTA
Ti serve uno schema elettrico, una fasatura distribuzione o altro?
L'Assistenza Diretta può inviartelo originale!
SCOPRI DI PIÙ