Vai al contenuto

BMW serie 3 204D4 sincronia giri e fase


Messaggi raccomandati

  • Moderatore
Inviato

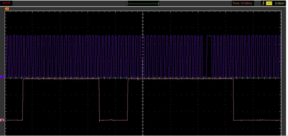
Saluti a tutti  :oO: Bmw serie 3 2.0 turbodiesel del 2008 motore 204d4 (non ho più cc e kw scusate) sincronia giri e fase, motore con pochissimi km (circa 45000) e nessun problema di sorta, tutte le acquisizioni sono a regime di minimo, metto anche img con  riferimenti per posizionamento punti di acquisizione  :oO:

1.png

2.png

3.png

4.png

5.png

6.png

  • Mi Piace 1
  • Grazie 3
  • Risposte 0
  • Creato
  • Ultima Risposta

Miglior contributo in questa discussione

  • peppino mibtel

    1

Miglior contributo in questa discussione

Le risposte a questa discussione sono 0

Sei un Meccatronico?

per accedere a tutta la Community!

  • Statistiche Utenti

    19.355
    Meccatronici iscritti
    314
    Record utenti online
    Nico23k
    Nuovo iscritto
    Nico23k
    Iscritto
  • Statistiche forum

    38,5k
    Discussioni Totali
    438,4k
    Risposte Totali

Launch Italy


×
×
  • Crea Nuovo...